东莞市润扬精密机械有限公司
高组装法兰型RHW-HA
上一个:高组装法兰型RHW-CA 下一个:低组装法兰形REW-CA
详情介绍
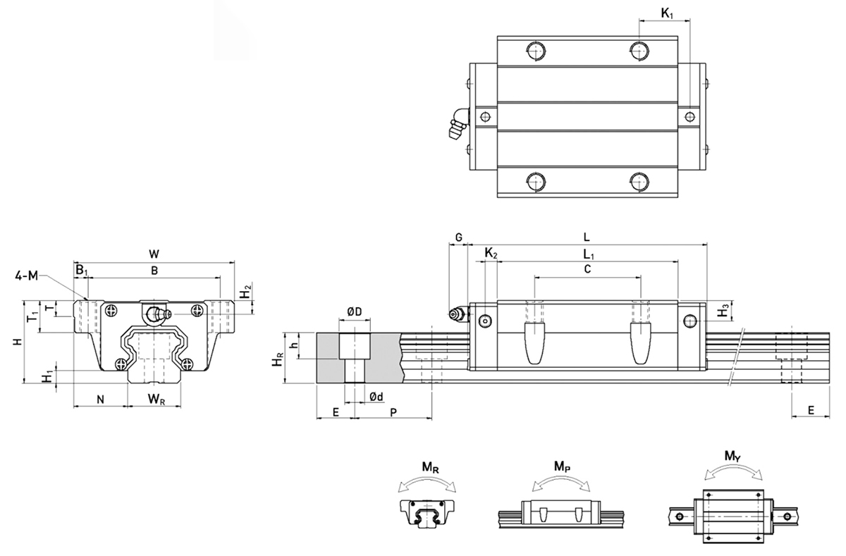
线性导轨参数
东莞直线导轨
线性导轨结构特点
东莞直线导轨

(1)导轨与滑块通过钢球的回圈滚动做相对运动。两端密封端盖和下密封可有效防止粉尘等异物进入滑块内部。通过油嘴对钢球回圈轨道润滑,润滑充分方便。

(2)采用四列圆弧接触,运行平稳。接触角45度可承受上下左右四个方向的共同负荷,并且可以通过加减滑块的数量改变承受负荷的能力。

(3)直线导轨的摩擦方式为滚动摩擦系,摩擦系数降低至滑动轨道的1/40,并且动摩擦力与静摩擦力的差距极小,故直线导轨随动性好,有益于提高数控系统的回应速度和灵敏度,能实现无缝连接,具有较高的定位精度。

(4)直线导轨的摩擦阻力较小,润滑方便且效果优良,接触面磨耗底,因此精度、性能稳持久。

(5)由于摩擦阻力小可是驱动功耗缩小,机械结构缩小,从而实现设备的小型化、高速化、低能耗。

(6)直线导轨按一定的装配步骤安装于加工过得平面上,不需要刮研等特殊处理就可达到较高精度。导轨滑块具有互相性,更换方便并且不影响使用精度。

广东润扬精密机械有限公司 ©2020 版权所有
技术支持:东莞网站建设
502 Bad Gateway

502 Bad Gateway


nginx